Nakrętki uszczelniające ze stali węglowej są rodzajem mocowania stosowanego do łączenia cienkich płyt lub metali. Są one wykonane ze stali węglowej, hartowanej i hartowanej w celu zwiększenia twardości, a powierzchnia jest ocynkowana lub w inny sposób odporna na korozję.
Uszczelniająca nakrętka jest dość prosta, możesz użyć standardowych narzędzi do klinowania pneumatycznego lub hydraulicznego. Oto jak to działa: najpierw włóż nakrętkę do wstępnie upieczonego otworu, a następnie użyj zestawu stempla i matrycy, aby wywierać nacisk. Die naciska blachy wokół kołnierza okręgu nakrętek, tworząc solidny mechaniczny zamek w jednym szybkim kroku.
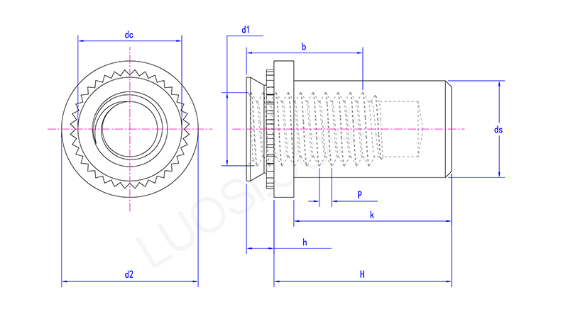
| Mon | M3-1 | M3-2 | M4-1 | M4-2 | M5-1 | M5-2 | M6-1 | M6-2 |
| P | 0.5 | 0.5 | 0.7 | 0.7 | 0.8 | 0.8 | 1 | 1 |
| DS Max | 3.84 | 3.84 | 5.2 | 5.2 | 6.35 | 6.35 | 8.75 | 8.75 |
| DC Max | 4.2 | 4.2 | 5.38 | 5.38 | 6.33 | 6.33 | 8.73 | 8.73 |
| B min | 5.3 | 5.3 | 7.1 | 7.1 | 7.1 | 7.1 | 7.8 | 7.8 |
| H Max | 0.91 | 1.38 | 0.97 | 1.38 | 0.97 | 1.38 | 1.38 | 1.38 |
| H Max | 9.85 | 9.85 | 11.45 | 11.45 | 11.45 | 11.45 | 14.55 | 14.55 |
| H min | 9.35 | 9.35 | 10.95 | 10.95 | 10.95 | 10.95 | 14.05 | 14.05 |
| K Max | 8.5 | 8.5 | 9.8 | 9.8 | 9.8 | 9.8 | 12.7 | 12.7 |
| D2 Max | 6.6 | 6.6 | 8.2 | 8.2 | 9 | 9 | 11.35 | 11.35 |
| D2 min | 6.1 | 6.1 | 7.7 | 7.7 | 8.5 | 8.5 | 10.85 | 10.85 |
| D1 | M3 | M3 | M4 | M4 | M5 | M5 | M6 | M6 |
Nakrętki uszczelniające ze stali węglowej są definiowane przez kluczowe pomiary: wielkość gwintu (takie jak M4, M5, M6 lub 1/4 "-20), średnica kołnierza, całkowitą wysokość, wymiary pralki uszczelniającej oraz zakres grubości arkusza, w którym działają (zarówno min, jak i maksymalne).
Ich siła klincza (jak dobrze się opierają wypychanie lub skręcanie) jest testowana wbrew standardom branżowym (pomyśl ISO, DIN, IFI). Wybór odpowiedniego rozmiaru to wielka sprawa, upewnia się, że pieczęć się utrzymuje, a nakrętkę jest wystarczająco silna do pracy.
Aby zainstalować nakrętkę do uszczelnienia ze stali węglowej, potrzebujesz wyspecjalizowanego narzędzia do klinkingu i zestawu matrycy, które dokładnie odpowiada rozmiarowi nakrętki. Najpierw włóż nakrętkę do wstępnie upieczonego otworu w blachy. Następnie narzędzie stosuje kontrolowane ciśnienie, co powoduje, że pilot nakrętki i KNURL tonie w otaczającym metal. Ten proces tworzenia zimnego blokuje nakrętkę ze stali nierdzewnej na miejscu na dobre, a jednocześnie podnosi wbudowaną podkładkę uszczelniającą do panelu. W ten sposób tworzy szczelne uszczelnienie, które sprawia, że te orzechy są wyjątkowe.
