|
pon |
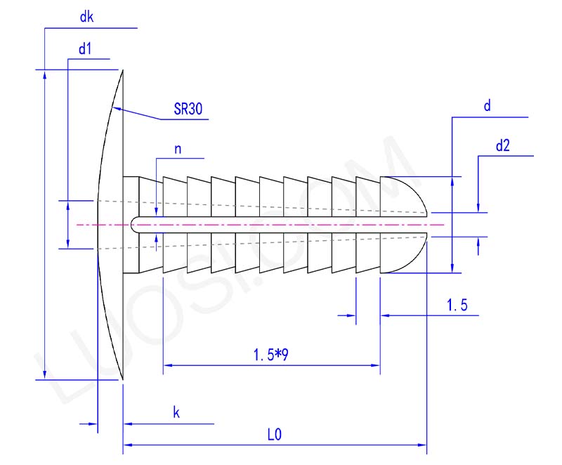
Φ6 |
Φ8 |
Φ10 |
|
dmaks |
6 | 8 | 10 |
|
min |
5.8 | 7.8 | 9.8 |
|
dk maks |
16.2 | 16.2 | 18.2 |
|
ok min |
15.8 | 15.8 | 17.8 |
|
k maks |
1.6 | 1.6 | 2.1 |
|
k min |
1.4 | 1.4 | 1.9 |
|
L0 |
20 | 20 | 22 |
|
d1 |
3 | 4 | 5 |
|
d2 |
1.5 | 2 | 3 |
|
n |
1 | 1 | 1.5 |
Rozprężalny element ustalający z nitem to przydatny element mocujący z tworzywa sztucznego. Działa jako bezpieczniejsza, lżejsza opcja odporna na rdzę zamiast zwykłych metalowych zawleczek.
Jest to w zasadzie cylindryczny element z rozcięciem pośrodku. Wkłada się go przez wstępnie wywiercony otwór, a następnie wygina dwie nogi, aby utrzymać na miejscu części takie jak sworznie, wały lub połączenia. Ta plastikowa wersja eliminuje problemy, takie jak zużycie metalu, ostre krawędzie i korozja galwaniczna.
Głównymi zaletami rozszerzającego się uchwytu nitowego jest bezpieczeństwo, lekkość i stabilność w różnych środowiskach.
W przeciwieństwie do metalowych kołków nie ma problemu z ostrymi zadziorami, które mogłyby zranić Cię podczas wkładania lub wyjmowania. Jest znacznie lżejszy, co ma duże znaczenie w zastosowaniach lotniczych i samochodowych.
Co więcej, rozszerzający się zacisk nitowy jest w naturalny sposób odporny na rdzę i korozję. Można go używać w wilgotnych miejscach, w pobliżu środków chemicznych lub tam, gdzie prąd jest niewystarczający lub gdzie metalowe igły mogą działać nieprawidłowo lub powodować problemy.

Konkretna wartość wytrzymałości na ścinanie naszego rozszerzającego się uchwytu nitowego będzie się różnić w zależności od średnicy sworznia i konkretnego gatunku materiału.
Został zaprojektowany tak, aby wytrzymać duże obciążenia wibracyjne i ruchome, które są powszechne w maszynach, częściach samochodowych i liniach montażowych.
Materiał ma naturalnie pewną elastyczność i sprężystość, co pomaga mu amortyzować wstrząsy. To sprawia, że jest to niezawodny zamiennik metalowych sworzni w wielu trudnych warunkach. Nie zużywa się łatwo, a także zmniejsza zużycie łączonych części.
