Sześciokątna głowaŚruba czapki gniazda sześciokątowegojest zagłębionym sześciokątem o zaokrąglonej zewnętrznej krawędzi. Jest zaostrzony kluczem sześciokątnym. Ma długą żywotność i może być używany przez długi czas, oszczędzając koszty wymiany i niskie koszty utrzymania. Śruba sześciokątna może być ponownie wykorzystywana, zdemontowana i ponowna złożenie bez rozbijania gwintów, która jest bardzo odpowiednia do prototypów lub ustawień modułowych. Śruby są silne i można je elastycznie nakładać. Xiaoguo® ma wiele certyfikatów i jest profesjonalnym i uczciwym dostawcą.

Przyzwoityśruby z głębi gniazda sześciokątnegoTrzymaj się międzynarodowych certyfikatów, takich jak ISO 9001, ROHS i Reach, są bezpieczne i przyjazne dla środowiska. Jeśli są dla samolotów, będą potrzebować certyfikatów lotniczych, takich jak AS9100 lub NADCAP; Części samochodowe wymagają IATF 16949. Te odznaki zasadniczo mówią, że śruby używają twardych materiałów, są odpowiednio rozmiar i nie zawiedzie, gdy będzie trudne. Potrzebujesz ich do krytycznych rzeczy? Po prostu poproś nas o dokumenty, takie jak raporty testowe lub certyfikaty materialne.
P: Jakie są materiałyśruby z głębi gniazda sześciokątnegozwykle wykonane z i jak wpływają one na wydajność?
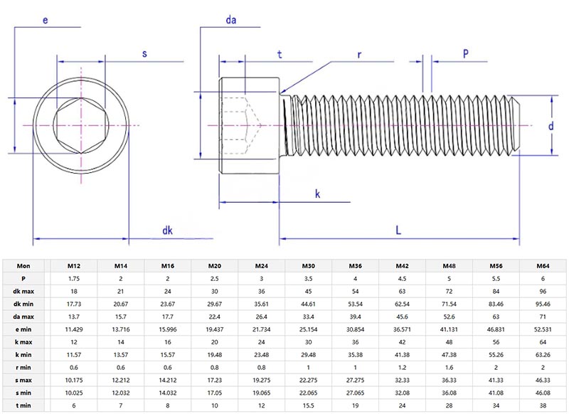
A:Śruby z głębi gniazda sześciokątnegoWejdź w kilka twardych materiałów : Stal stopowa (gatunki 8,8, 10,9, 12,9), stali nierdzewnej (304 lub 316) lub tytanu. To, co wybierasz, zasadniczo decyduje o trzech rzeczach: jak długo trwają, jak dobrze walczą z rdzą i ile mogą przynieść. Jeśli pracujesz gdzieś wilgotny lub zardzewiały, najlepszy zakład jest stal nierdzewna. Potrzebujesz śrub do ciężkich maszyn? Stal stopowa wyższej klasy (jak 10,9 lub 12,9) jest silniejsza. Te śruby (takie jak gaszenie i temperowanie), aby je utrudniać. Podsumowując: Pomyśl, gdzie ich użyjesz i ile obciążyli. Dopasuj materiał do pracy.