Dom > Produkty > Śruba > T-bolt > T Śruba kotwiczna
        T Śruba kotwiczna
        • T Śruba kotwicznaT Śruba kotwiczna
        • T Śruba kotwicznaT Śruba kotwiczna
        • T Śruba kotwicznaT Śruba kotwiczna

        T Śruba kotwiczna

        Możesz sprawdzić wysokiej jakości śruby kotwiczne T wyprodukowane przez Xiaoguo® Company w dowolnym momencie. Głowa w kształcie litery T ułatwia instalację w rowku zakotwiczającym. Możemy zaoferować różne rozmiary do wyboru. Zawsze będzie śruba, która ci odpowiada.
        Model:CNS 4947-1979

        Wyślij zapytanie

        Opis produktu

        Śruby kotwiczne T są elementami mocarnymi używanymi do utrwalania kotwicy, głowica w kształcie litery T ułatwia instalację w rowku kotwiczącego.Xiaoguo®może zaoferować różne rozmiary do wyboru. Zawsze będzie śruba, która ci odpowiada.

        Głowa śruby kotwicznej T jest w kształcie T, co jest wygodne do zacisku w odpowiednim rowku w kształcie litery T, aby zapobiec obracaniu się po dokręceniu. Ogon śruby jest specjalnie zaprojektowany tak, aby był mocno przymocowany do podstawy jak kotwica.

        Instalacja i aplikacja:

        Te śruby kotwiczne mogą być używane do naprawy śladów podwyższonych drzwi. Są one instalowane szybciej niż śruby. Wsuń je w podwyższone stalowe rowki bez żadnych narzędzi do ustalania. Podczas instalowania magazynu można go dokręcić jedną ręką i zrównoważyć za pomocą drabiny. Służą do naprawy ciężkich utworów.

        T Śruby kotwiczne na głowę mogą być używane jako nośniki rur dla HVAC. Wiszące rury na betonie może je zaoszczędzić kilka godzin. Włóż go do bezajlistego i stuknij w sufit za pomocą śrubokręta uderzeniowego. Nie są potrzebne otwory przewodników. Jeden pracownik może zakończyć instalację dwóch kotwic w kształcie klina.

        Śruby te służą do ustalenia ramy przenośnika górniczego. Są używane do utrwalenia śrub podziemnych solidnych ramek i mogą się oprzeć kurzu. Wbij głowę w kształcie litery T w zakrzywiony kanał; Nić mogą uchwycić skorodowaną stal. Personel zmienia komponenty na zmianach co 15 minut.

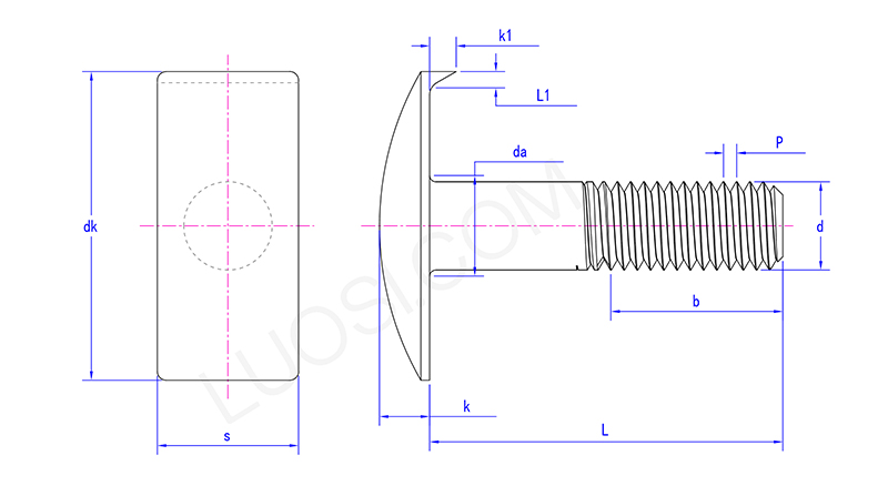
        Parametry:

        Mon M12
        P 1.75
        k 7
        K1 5
        L1 3
        Tak Max 15.2
        Dk 55
        s 20


        Punkt sprzedaży produktu:

        Śruby kotwiczne T są szczególnie stabilne w fiksacji i wygodne w instalacji. Ma dwie główne cechy: funkcję głowy w kształcie litery T i funkcję zakotwiczenia. Podczas instalacji można go bezpośrednio włożyć do rozładowania T bez potrzeby powtarzanej regulacji położenia. Struktura zakotwicząca utrzymuje ją mocniej i mocniej w bazie i zapobiega jej rozluźnieniu. I nie są wymagane żadne złożone profesjonalne narzędzia. Ponadto ma szeroki zakres zastosowań i może być używany w wielu branżach i scenariuszach.



        Gorące Tagi: T Śruba kotwicząca głowa, Chiny, producent, dostawca, fabryka
        Powiązana kategoria
        Wyślij zapytanie
        Prosimy o przesłanie zapytania w poniższym formularzu. Odpowiemy ci w ciągu 24 godzin.
        X
        Używamy plików cookie, aby zapewnić lepszą jakość przeglądania, analizować ruch w witrynie i personalizować zawartość. Korzystając z tej witryny, wyrażasz zgodę na używanie przez nas plików cookie. Polityka prywatności
        Odrzucić Przyjąć