Dom > Produkty > Nakrętka > Ręcznie dokręć nakrętkę > Narzędzia metalowe Nakrętka toczna
        Narzędzia metalowe Nakrętka toczna
        • Narzędzia metalowe Nakrętka tocznaNarzędzia metalowe Nakrętka toczna
        • Narzędzia metalowe Nakrętka tocznaNarzędzia metalowe Nakrętka toczna

        Narzędzia metalowe Nakrętka toczna

        Zapewnij zgodność i bezpieczeństwo systemu. Produkt z nakrętką rolkową XIAO GUO z certyfikatem CE spełnia rygorystyczne standardy. Nasze nakrętki zostały zaprojektowane z myślą o niezawodnej, długotrwałej pracy w wymagających środowiskach przemysłowych.

        Wyślij zapytanie

        Opis produktu

        Specyfikacje nakrętki walcowej narzędzi sprzętowych do narzędzi sprzętowych obejmują głównie rozmiar gwintu wewnętrznego i średnicę zewnętrzną. Rozmiary gwintów wahają się od M2 do M8, które są najczęstsze w przypadku montażu cienkich blach. Średnice zewnętrzne odpowiadają tym gwintom — mniejsze gwinty pasują do mniejszych średnic, dzięki czemu pasują do wstępnie wywierconych otworów. Wybierasz po prostu na podstawie rozmiaru śruby, której będziesz z nim używać.

        Gatunki są proste: gatunek standardowy i gatunek o wysokiej wytrzymałości. Standardowy gatunek sprawdza się w przypadku zwykłych zadań, takich jak wsporniki meblowe czy obudowy elektroniki. Gatunek o wysokiej wytrzymałości jest wykonany z grubszego materiału, dobry do maszyn lub części, które muszą wytrzymać większą siłę bez poślizgu.

        Każda nakrętka ma swoją specyfikację i klasę oznaczoną na etykiecie opakowania, więc łatwo jest wybrać właściwą. Żadnego skomplikowanego kodowania, tylko podstawowe liczby i słowa. Specyfikacje i gatunki narzędzi sprzętowych Rolling Nut obejmują najczęstsze potrzeby związane z obróbką blachy, bez dodatkowych fantazyjnych opcji.

        Hardware Tools Rolling Nut

        Kontrola jakości produktu

        Zaczynamy od kontroli surowców. Każda partia metalu jest sprawdzana pod kątem pęknięć, wgnieceń lub słabych punktów. Do produkcji trafia wyłącznie wykwalifikowany materiał — jest to pierwszy krok do utrzymania jakości na odpowiednim poziomie.

        Podczas produkcji regularnie przeprowadzamy kontrole wyrywkowe. Najpierw sprawdzamy dokładność gwintu; muszą gładko pasować śruby, bez ciasnych i luźnych miejsc. Często mierzymy również średnicę zewnętrzną i grubość, aby upewnić się, że odpowiadają standardowym specyfikacjom. Sprawdzana jest również obróbka powierzchni, upewniając się, że nie ma cienkich powłok lub pominiętych obszarów, które mogłyby powodować rdzę.

        Przed wysyłką losowe próbki z każdej partii przechodzą testy instalacyjne. Wciskamy je w blachę i sprawdzamy, czy trzymają się mocno i nie ślizgają się. Sprawdzamy również, czy na powierzchni nie występują rysy i deformacje. Nakrętka rolkowa narzędzi sprzętowych przechodzi przez te proste, ale rygorystyczne kroki, aby upewnić się, że działa dobrze w codziennych pracach montażowych.

        Sesja pytań i odpowiedzi

        P: Czy łatwo rdzewieje w wilgotnych obszarach przybrzeżnych?

        Odp.: to zależy od obróbki powierzchni. Te ocynkowane mogą rdzewieć po 1-2 latach w wysokiej wilgotności. Dla obszarów przybrzeżnych lepsze są ocynkowane ogniowo lub ze stali nierdzewnej – są odporne na mgłę solną i wilgoć przez 5-8 lat. Jeśli Twoje produkty są używane na zewnątrz, sugerujemy wybór nakrętki ze stali nierdzewnej. Możemy również dostarczyć raporty z testów odporności na korozję w celach informacyjnych.  

        Hardware Tools Rolling Nut


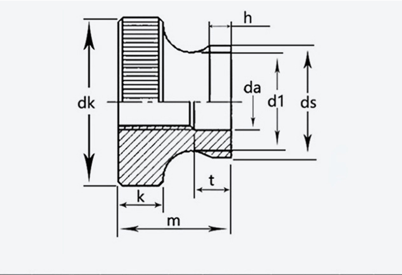
        rozmiar Poziom Średnica zewnętrzna Wysokość k ds da d1 T h
        maks min maks min maks min maks min maks
        M3 0,5  11  10.7  6,64  2.8  5.7  3.5  3.2  5.2  1.2 
        M4 0,7  12  11.7  7,64  7,64  4,5  4.2  6.4  2.5  1,5 
        M5 0,8  16  15,7  10  96,6  10  9,64  5.5  5.5 
        M6 20  19,7  12  11.6  12  11.6  6,56  6.2  11  2.5 
        M8 1,25  24  23,7  16  15.6  16  15.6  8,86  8,5  13 
        M10 1.5 30 29.7 20 19.5 8 20 19.5 10.9 10.5 17.2 6.5 3.8
        Gorące Tagi: Narzędzia metalowe Nakrętka toczna, Chiny, producent, dostawca, fabryka
        Powiązana kategoria
        Wyślij zapytanie
        Prosimy o przesłanie zapytania w poniższym formularzu. Odpowiemy ci w ciągu 24 godzin.
        X
        Używamy plików cookie, aby zapewnić lepszą jakość przeglądania, analizować ruch w witrynie i personalizować zawartość. Korzystając z tej witryny, wyrażasz zgodę na używanie przez nas plików cookie. Polityka prywatności
        Odrzucić Przyjąć