Śruby rozszerzające się samorozwienia składają się głównie ze śrub, rur rozszerzających, nakrętek i innych części. Podczas instalacji, dokręcając nakrętkę, śruba napędza rurkę rozszerzającą, aby rozszerzyć się wewnątrz otworu odwiertu, w ten sposób mocno mocno ustawiając ją na ścianę lub inną powierzchnię podstawy.
	
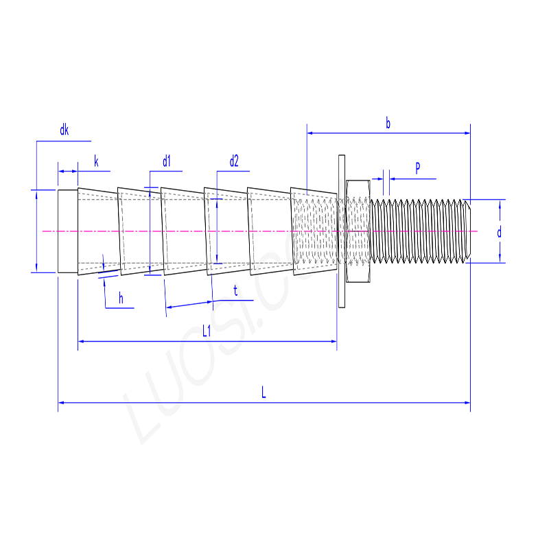
| Mon | M6 | M8 | M10 | M12 | M16 | M20 | M22 | M24 | 
| P | 1 | 1.25 | 1.5 | 1.75 | 2 | 2.5 | 2.5 | 3 | 
| DK Max | 10 | 12 | 14 | 16 | 20 | 24 | 26 | 28 | 
| DK min | 9 | 11 | 13 | 15 | 19 | 23 | 25 | 27 | 
| L1 | 45 | 60 | 70 | 75 | 100 | 125 | 150 | 180 | 
| k | 5 | 5 | 5 | 5 | 5 | 5 | 5 | 5 | 
| D1 | 9.8 | 11.8 | 13.8 | 15.8 | 19.8 | 23.8 | 25.8 | 27.8 | 
| D2 | 6.2 | 8.2 | 10.2 | 12.2 | 16.2 | 20.2 | 22.2 | 24.2 | 
| h | 0.6 | 0.8 | 0.8 | 0.8 | 0.9 | 1 | 1 | 1.2 | 
| t | 10 | 12 | 12 | 14 | 14 | 16 | 16 | 20 | 
| L | 65 | 85 | 100 | 110 | 150 | 200 | 250 | 300 | 
	
Self-wchłaniająca się rozszerzająca śruba może mocno zakotwiczyć obiekty w strukturach betonowych lub murowanych. Musisz tylko wiercić otwory, wstawić śruby, a następnie dokręcić nakrętki. Po dokręceniu sama śruba rozszerzy się w otworze. Zwykle powstaje przez wciągnięcie stożka do rękawa, tworząc w ten sposób mocną mechaniczną zamek i mocno mocno mocno go do ściany.
	
Instalowanie samowystarczalnych śrub rozszerzających się jest bardzo proste: wiercenie otwory o prawidłowym rozmiarze, zdejmij kurz, wrzuć śruby młotkiem, a następnie dokręć nakrętki kluczem. Podczas procesu zaostrzenia mechanizm ekspansji jest zmuszony otwierać i mocno uchwycić materiał podstawowy. Jest to bezpośredni proces „instaluj i dokręć”, który może osiągnąć mocną fiksacje.
	
Na przykład napraw wspornik do betonowej ściany, napraw podstawę mechaniczną na podłogę, napraw poręcz lub napraw kolumnę do podkładu. Są one bardzo odpowiednie do operacji średniego i ciężkiego w litych betonie, cegieł lub blokach, gdzie musisz dodać silny i odłączany punkt kotwiący po zbudowaniu podkładu.
	
Samo -zakotwiczenie śruby ekspansji mają silną zdolność adaptacyjną. Ma silną zdolność adaptacyjną do różnych samolotów podstawowych. Niezależnie od tego, czy jest to betonowa ściana, ceglana ściana, czy jakaś drewniana konstrukcja, o ile są wywiercone odpowiednie otwory, może odgrywać bardzo dobrą rolę zakotwiczącą. Ponadto ma różne specyfikacje. Zgodnie z faktycznymi wymaganiami instalacyjnymi i stanem powierzchni podstawowej można wybrać odpowiedni rozmiar w celu spełnienia różnych scenariuszy instalacji.
	