Dom > Produkty > Śruba > Inne śruby > 12-punktowa śruba kołnierzowa ze zmniejszonym trzpieniem
        12-punktowa śruba kołnierzowa ze zmniejszonym trzpieniem
        • 12-punktowa śruba kołnierzowa ze zmniejszonym trzpieniem12-punktowa śruba kołnierzowa ze zmniejszonym trzpieniem
        • 12-punktowa śruba kołnierzowa ze zmniejszonym trzpieniem12-punktowa śruba kołnierzowa ze zmniejszonym trzpieniem
        • 12-punktowa śruba kołnierzowa ze zmniejszonym trzpieniem12-punktowa śruba kołnierzowa ze zmniejszonym trzpieniem

        12-punktowa śruba kołnierzowa ze zmniejszonym trzpieniem

        12-kątna śruba kołnierzowa ze zmniejszonym trzpieniem doskonale nadaje się do zastosowań wymagających pewnego mocowania, ale także chcących zmniejszyć grubość materiału. Możesz lepiej kontrolować moment obrotowy, aby nie ześlizgnął się podczas dokręcania. Firma Xiaoguo® oferuje praktyczne rozwiązania.

        Wyślij zapytanie

        Opis produktu

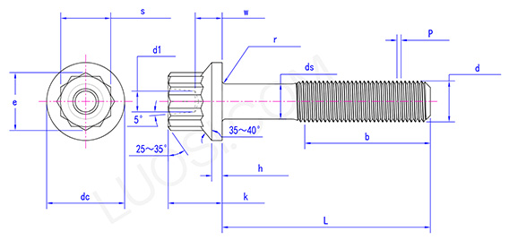
        Śruba kołnierzowa 12-kątna ze zredukowanym trzpieniem. Łeb posiada 12 narożników. Płyta kołnierzowa znajdująca się poniżej pełni funkcję uszczelki zwiększającej powierzchnię styku z łączonym materiałem. Cienka część pręta pośrodku ma mniejszą średnicę w porównaniu ze zwykłymi prętami śrubowymi i jest stosowana w niektórych specyficznych scenariuszach.

        Parametry produktu

        pon #10
        P 32
        d1 0.1
        DC 0.375
        ds maks 0.171
        ds.min 0.161
        e 0.278
        h maks 0.05
        godz. min 0.04
        k 0.26
        r min 0.015
        r maks 0.025
        s maks 0.251
        min 0.243
        w 0.13

        Cechy

        Tej 12-kątnej śruby kołnierzowej można użyć do montażu pompy hydraulicznej. Pompa wysokociśnieniowa może się trząść, powodując poluzowanie śrub montażowych. Jego krótka konstrukcja uchwytu może pochłaniać wibracje szyi. Uszczelnienie kołnierza może zapobiec wyciekom oleju i nie wymaga osobnej uszczelki. Standardowe śruby pękną w ciągu kilku miesięcy, natomiast te śruby wytrzymują ponad 10 000 godzin pracy.

        Do podłączenia kolektora wydechowego można zastosować 12-kątną śrubę kołnierzową o zmniejszonym trzpieniu. Kolektor turbiny może pęknąć w otworach na śruby z powodu naprężeń termicznych. Mogą rozwiązać ten problem. Pręt gwintowany można zginać podczas cyklu termicznego w temperaturze 800°C, aby zapobiec pękaniu naprężeniowemu. Podczas demontażu jest bardziej odporny na rdzę niż łeb sześciokątny. Pamiętaj o zastosowaniu niklowego środka przeciwzatarciowego. Jego żywotność jest dwukrotnie dłuższa niż w przypadku zwykłych śrub.

        Te 12-punktowe śruby kołnierzowe mogą zmniejszyć wagę. Węższa część poniżej gwintu może zmniejszyć straty materiału bez utraty wytrzymałości. Doskonale nadaje się do zastosowań wrażliwych na ciężar, takich jak panele samolotów lub samochody wyścigowe. Kołnierze można nadal stosować jako wbudowane uszczelki.

        Korzyść

        Śruba kołnierzowa z łbem 12-kątnym i zmniejszonym trzpieniem zapewnia dużą siłę mocowania. Po dokręceniu wytrzymuje duży moment obrotowy. Ponieważ płyta kołnierzowa zwiększa tarcie, bardzo trudno jest ją poluzować w środowisku wibracyjnym. Zmniejszyło to zagrożenia bezpieczeństwa i awarie sprzętu spowodowane poluzowaniem. Co więcej, podczas instalacji cienki pręt umożliwia łatwiejsze przejście przez cieńsze materiały lub małe otwory bez konieczności pracochłonnego rozwiercania. Jest łatwy w obsłudze i oszczędza czas i siłę roboczą.

        12 Point Flange Screw With Reduced Shank

        Gorące Tagi: 12-punktowa śruba kołnierzowa ze zmniejszonym trzpieniem, Chiny, producent, dostawca, fabryka
        Powiązana kategoria
        Wyślij zapytanie
        Prosimy o przesłanie zapytania w poniższym formularzu. Odpowiemy ci w ciągu 24 godzin.
        X
        Używamy plików cookie, aby zapewnić lepszą jakość przeglądania, analizować ruch w witrynie i personalizować zawartość. Korzystając z tej witryny, wyrażasz zgodę na używanie przez nas plików cookie. Polityka prywatności
        Odrzucić Przyjąć