Dom > Produkty > Śruba > Śruba z łbem kwadratowym > Śruby z główką kubkową
        Śruby z główką kubkową
        • Śruby z główką kubkowąŚruby z główką kubkową
        • Śruby z główką kubkowąŚruby z główką kubkową

        Śruby z główką kubkową

        Śruby z łbem stożkowym produkowane przez firmę Xiaoguo® mogą mocno zaciskać miękkie materiały, takie jak drewno lub plastik. Łeb w kształcie miseczki zapewnia większą powierzchnię dokręcania, a zaostrzona końcówka na dole może wniknąć głęboko w śrubę, aby zapobiec jej ześlizgiwaniu się lub obracaniu podczas pracy.
        Model:DIN 607-1981

        Wyślij zapytanie

        Opis produktu

        Głowaśruby z łbem stożkowymjest jak mała filiżanka, okrągła i wybrzuszona. Poniżej jest połączona z ostrym czopem, a część śrubowa ma gwinty. Ten projekt jest bardzo wyjątkowy. Ma wyjątkowe zalety podczas naprawiania rzeczy i można go wykorzystać w wielu miejscach.



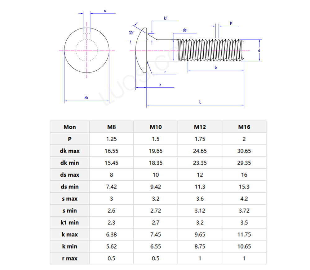
        Szczegóły i parametry produktu

        Śruby z łbem stożkowymmożna wykorzystać do wykonywania modeli drewnianych na szkolnych zajęciach z rękodzieła. Na szkolnych zajęciach z rękodzieła przy wykonywaniu drewnianych modeli, np. małych domów i małych łódek, można z nich skorzystać do mocowania części. Jest łatwy w obsłudze, co pozwala uczniom szybko opanować jego obsługę. Co więcej, może sprawić, że konstrukcja modelu będzie solidniejsza, ułatwiając studentom prezentację swoich prac, a także ułatwiając długotrwałe przechowywanie modelu.

        Korzystają z nich miłośnicy majsterkowaniaśruby z łbem stożkowymprzy naprawie rowów melioracyjnych lub rur spustowych. Śruby można zablokować w aluminium lub stali bez wiercenia otworów, a śruby z łbem stożkowym są ukryte pod uszczelniaczem. Jeśli chcesz trwałych śrub, możesz wybrać materiał ze stali nierdzewnej. Po burzy na domu nie pozostanie ani śladu rdzy.

        Rolnicy wykorzystują śruby przy naprawie spichlerzy lub rur nawadniających. Śruby mogą mocno uchwycić zardzewiałą powierzchnię i skutecznie oprzeć się wilgoci w stodole. Niskie łby śrub nie zaczepią siana ani narzędzi, a także nie ma konieczności zatrzymywania maszyny ze względu na odczepienie się elementów złącznych.


        Cup head nib bolts parameters

        Punkt sprzedaży produktu

        Theśruby z łbem stożkowymsą nie tylko mocno zamocowane i szybko instalowane, ale kształt główki miseczki może rozszerzyć obszar styku, rozproszyć nacisk podczas dokręcania i sprawić, że połączenie będzie solidniejsze i trudniejsze do poluzowania; Zaostrzony czop można łatwo włożyć w materiał, aby zapobiec przypadkowemu obracaniu się śruby po dokręceniu, a także jest wygodniejszy w montażu.


        Materiał produktu

        Śruby z łbem stożkowym produkujemy z kilku podstawowych materiałów, głównie stali węglowej, stali stopowej i stali nierdzewnej. Właściwy wybór zależy od tego, gdzie będą używane.


        Do zwykłych, codziennych prac – takich jak mocowanie sprzętu wewnętrznego pod niskim i średnim obciążeniem – typy stali węglowej, takie jak 1010 lub 1018, sprawdzają się dobrze. Są niedrogie, ale zwykle wymagają powłoki takiej jak cynkowanie, aby zapobiec rdzy.


        Jeśli potrzebujesz większej wytrzymałości — np. w przypadku ciężkich maszyn lub połączeń podwozi samochodowych — używamy stali stopowych, takich jak 35CrMo. Poddaje się je obróbce cieplnej, aby poprawić ich wytrzymałość i wytrzymałość.


        W miejscach, w których problemem jest rdza, najlepszym wyborem będzie stal nierdzewna. Klasa 304 jest dobra do suchych wnętrz, takich jak sprzęt gospodarstwa domowego. Jeśli pracujesz na zewnątrz, w pobliżu słonej wody lub przy użyciu środków chemicznych, lepszym wyborem będzie gatunek 316, ponieważ jest on lepiej odporny na korozję.


        Wybór materiału tak naprawdę zależy od warunków pracy — od tego, jak bardzo jest mokry, jaki ciężar wytrzyma śruba i jakie jest ryzyko korozji.


        Koszty transportu produktu

        Koszty wysyłki śrub z łbem stożkowym zależą od kilku rzeczy: od tego, jak są ciężkie, ile zajmują miejsca, jak daleko docierają i w jaki sposób chcesz je dostarczyć.


        W przypadku małych zamówień (poniżej 20kg) zazwyczaj wysyłamy je kurierem. Koszt wysyłki ustalany jest na podstawie wagi początkowej plus dopłata za każdy dodatkowy kilogram. W kraju podstawowa opłata wynosi około 1,5–3 dolarów, a każdy dodatkowy kilogram kosztuje około 0,3–1,2 dolara.


        W przypadku większych zamówień (powyżej 20 kg) często tańsza jest wysyłka frachtem lub LTL (ładunek mniejszy niż ciężarówka). Koszt opiera się na rzeczywistej wadze lub rozmiarze paczki – w zależności od tego, która wartość jest wyższa. Aby obliczyć wagę rozmiaru, pomnóż długość, szerokość i wysokość w centymetrach, a następnie podziel przez 6000.


        Na przykład wysyłka 1 tony w kraju na duże odległości zwykle kosztuje od 60 do 90 dolarów. Im więcej wysyłasz, tym niższy koszt jednostkowy.


        W przypadku zamówień międzynarodowych w grę wchodzą opłaty portowe i cła. Fracht morski jest wolniejszy, ale tańszy, natomiast fracht lotniczy jest szybszy, ale kosztuje więcej.


        Jeśli potrzebujesz dostawy od drzwi do drzwi lub wysyłki przyspieszonej, może to spowodować dodanie 20% do 50% ceny podstawowej.


        Przed wysyłką warto sprawdzić pełny koszt u dostawcy usług spedycyjnych, aby uniknąć późniejszych niespodzianek.



        Materiał produktu

        Śruby z łbem stożkowym produkujemy z kilku podstawowych materiałów, głównie stali węglowej, stali stopowej i stali nierdzewnej. Właściwy wybór zależy od tego, gdzie będą używane.


        Do zwykłych, codziennych prac – takich jak mocowanie sprzętu wewnętrznego pod niskim i średnim obciążeniem – typy stali węglowej, takie jak 1010 lub 1018, sprawdzają się dobrze. Są niedrogie, ale zwykle wymagają powłoki takiej jak cynkowanie, aby zapobiec rdzy.


        Jeśli potrzebujesz większej wytrzymałości — np. w przypadku ciężkich maszyn lub połączeń podwozi samochodowych — używamy stali stopowych, takich jak 35CrMo. Poddaje się je obróbce cieplnej, aby poprawić ich wytrzymałość i wytrzymałość.


        W miejscach, w których problemem jest rdza, najlepszym wyborem będzie stal nierdzewna. Klasa 304 jest dobra do suchych wnętrz, takich jak sprzęt gospodarstwa domowego. Jeśli pracujesz na zewnątrz, w pobliżu słonej wody lub przy użyciu środków chemicznych, lepszym wyborem będzie gatunek 316, ponieważ jest on lepiej odporny na korozję.


        Wybór materiału tak naprawdę zależy od warunków pracy — od tego, jak bardzo jest mokry, jaki ciężar wytrzyma śruba i jakie jest ryzyko korozji.


        Koszty transportu produktu

        Koszty wysyłki śrub z łbem stożkowym zależą od kilku rzeczy: od tego, jak są ciężkie, ile zajmują miejsca, jak daleko docierają i w jaki sposób chcesz je dostarczyć.


        W przypadku małych zamówień (poniżej 20kg) zazwyczaj wysyłamy je kurierem. Koszt wysyłki ustalany jest na podstawie wagi początkowej plus dopłata za każdy dodatkowy kilogram. W kraju podstawowa opłata wynosi około 1,5–3 dolarów, a każdy dodatkowy kilogram kosztuje około 0,3–1,2 dolara.


        W przypadku większych zamówień (powyżej 20 kg) często tańsza jest wysyłka frachtem lub LTL (ładunek mniejszy niż ciężarówka). Koszt opiera się na rzeczywistej wadze lub rozmiarze paczki – w zależności od tego, która wartość jest wyższa. Aby obliczyć wagę rozmiaru, pomnóż długość, szerokość i wysokość w centymetrach, a następnie podziel przez 6000.


        Na przykład wysyłka 1 tony w kraju na duże odległości zwykle kosztuje od 60 do 90 dolarów. Im więcej wysyłasz, tym niższy koszt jednostkowy.


        W przypadku zamówień międzynarodowych w grę wchodzą opłaty portowe i cła. Fracht morski jest wolniejszy, ale tańszy, natomiast fracht lotniczy jest szybszy, ale kosztuje więcej.


        Jeśli potrzebujesz dostawy od drzwi do drzwi lub wysyłki przyspieszonej, może to spowodować dodanie 20% do 50% ceny podstawowej.


        Przed wysyłką warto sprawdzić pełny koszt u dostawcy usług spedycyjnych, aby uniknąć późniejszych niespodzianek.





        Gorące Tagi: Śruby z łbem stożkowym, Chiny, producent, dostawca, fabryka
        Powiązana kategoria
        Wyślij zapytanie
        Prosimy o przesłanie zapytania w poniższym formularzu. Odpowiemy ci w ciągu 24 godzin.
        X
        Używamy plików cookie, aby zapewnić lepszą jakość przeglądania, analizować ruch w witrynie i personalizować zawartość. Korzystając z tej witryny, wyrażasz zgodę na używanie przez nas plików cookie. Polityka prywatności
        Odrzucić Przyjąć