Kuta śruba oczkowato mocne elementy złączne używane do podnoszenia, olinowania i kotwiczenia. Mają okrągłą pętlę z oczkiem na jednym końcu i gwintowany trzonek na drugim. Umożliwiają one bezpieczne przymocowanie kabli, lin lub łańcuchów. Są przystosowane do obsługi zarówno ładunków ruchomych, jak i nieruchomych. Często je zobaczysz w budownictwie, pracach morskich i logistyce.
Istnieją różne typy, takie jak śruba pasowana, śruba maszynowa i oczka śrubowe. Każdy typ działa dla różnych rozmiarów ładunków i środowisk. Ich konstrukcja jest wytrzymała i niezawodna, co czyni je ważnymi dla zapewnienia bezpieczeństwa i dobrego działania w warunkach przemysłowych.
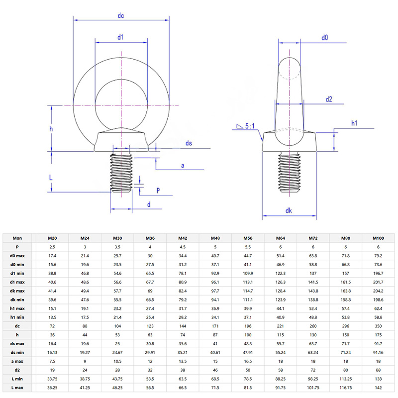
Kuta śruba oczkowasą dostępne w rozmiarach gwintów od M6 aż do M48 i są przystosowane do obciążeń od 50 kg do ponad 20 ton. Jeśli używasz modeli naramiennych, pamiętaj – musisz je wkręcić do końca, aby osiągnąć maksymalną wagę. Wykręcić oczy? Te są lepsze do lżejszych prac. Zawsze sprawdzaj, czy mają certyfikaty takie jak DIN, ISO lub ASTM – dzięki temu wiesz, że są legalne.
Rzeczy takie jak rozmiar oczka, długość trzonka i rozstaw gwintów zależą od Twojej pracy, więc sprawdź tabele ciężarów, aby uniknąć niedopasowań. Potrzebujesz czegoś dziwnego do specjalnego projektu? Niektórzy dostawcy nawet dostosują dla Ciebie rozmiary lub gwinty. Tylko nie pomiń szczegółów przy składaniu zamówienia.

P: Jaka jest maksymalna nośność twojegokuta śruba oczkowai jak to ustalić?
Odp.: To, jaką wagę może utrzymać, sprowadza się tak naprawdę do trzech rzeczy: z czego jest wykonany, jak gruby jest i sposób, w jaki jest zbudowany. Weźmy na przykład kute ze stali węglowej – są one twardsze niż wersje tłoczone lub gięte i wytrzymują nacisk od 0,25 tony do 11 ton. Dopuszczalne obciążenie robocze (WLL) – czyli maksymalna bezpieczna waga, jaką mogą wytrzymać – określa się na podstawie przepisów takich jak ASME B30.26 lub DIN 580. Zasady te uwzględniają poduszkę bezpieczeństwa, zwykle w stosunku 4:1 lub 5:1, więc są znacznie silniejsze, niż sugeruje liczba. Zasadniczo, jeśli jest przeznaczony na 1 tonę, w rzeczywistości jest zbudowany tak, aby udźwignąć 4 lub 5 ton, zanim cokolwiek się przewróci.