Dom > Produkty > Nakrętka > Okrągła nakrętka > W pełni gwintowane okrągłe nakrętki z rowkiem
        W pełni gwintowane okrągłe nakrętki z rowkiem
        • W pełni gwintowane okrągłe nakrętki z rowkiemW pełni gwintowane okrągłe nakrętki z rowkiem
        • W pełni gwintowane okrągłe nakrętki z rowkiemW pełni gwintowane okrągłe nakrętki z rowkiem

        W pełni gwintowane okrągłe nakrętki z rowkiem

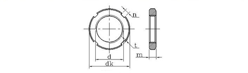
        W pełni gwintowane nakrętki okrągłe z rowkiem są zaprojektowane z wycięciami na zewnętrznej krawędzi do użytku z kluczami kołkowymi. Obecnie wielu klientów kupuje te produkty z Chin XIAOGUO, ponieważ są one opłacalne oraz mają stabilne i niezawodne dostawy.

        Wyślij zapytanie

        Opis produktu

        Instrukcje użytkowania produktu

        W pełni gwintowane nakrętki okrągłe z rowkiem – są zdefiniowane zgodnie z normami takimi jak DIN 546 i służą głównie do uzyskania bezpiecznego połączenia mocującego i są odporne na wibracje. Główną cechą tych nakrętek są szczeliny wycięte na jednym końcu nakrętki. Oto jak z nich korzystać: Najpierw nakręć nakrętkę na wstępnie nawierconą śrubę lub kołek i dokręć ją do żądanej pozycji. Po dokręceniu wyrównaj szczelinę z otworem na trzonku śruby. Na koniec włóż otwarty sworzeń (podkładkę zabezpieczającą) lub linkę zabezpieczającą przez dopasowaną szczelinę i otwór na śrubę, a następnie zagnij końce sworznia, aby zapewnić bezpieczne dopasowanie. Zatem w obecności wibracji nakrętka nie poluzuje się.

        Opakowanie produktu

        W oparciu o wyniki naszych badań oferujemy szeroką gamę okrągłych nakrętek z pełnym gwintem, które doskonale nadają się do zastosowań przemysłowych. Pakowanie ich w torby lub pudełka jest powszechną i praktyczną metodą. Każda torebka zawiera zwykle określoną liczbę orzechów, na przykład 100 w torbie. Ta forma w workach jest wygodna do transportu, liczenia zapasów i dystrybucji w warsztacie lub na linii montażowej. Opakowania są zazwyczaj przezroczyste lub posiadają etykiety, dzięki którym można szybko zidentyfikować rodzaj i wielkość orzechów. Jeśli jesteś producentem lub dużym odbiorcą, możemy dostarczyć również większe ilości opakowań kartonowych lub dostosować opakowanie do Twoich wymagań. Pomaga to obniżyć koszty i sprawić, że łańcuch dostaw projektu będzie działał sprawniej.

        Sesja pytań i odpowiedzi

        Z jakich materiałów są zwykle wykonane okrągłe nakrętki szczelinowe z pełnym gwintem?

        Odp.: Zazwyczaj wykonujemy nasze nakrętki ze stali węglowej do ogólnego użytku. Mamy również opcje ze stali nierdzewnej (gatunki 304 i 316), jeśli potrzebujesz czegoś odpornego na rdzę, oraz mosiężne do zastosowań niemagnetycznych. Po prostu wybierz materiał na nakrętki w zależności od konkretnego środowiska i potrzeb mechanicznych.

        Fully Threaded Slotted Round Nuts


        jednostka: mm
        d*P nie wiem m n t Jakość na 1000 wyrobów stalowych≈kz d*P nie wiem m n t Jakość na 1000 wyrobów stalowych≈kg
        maks min maks min maks min maks min
        M10*1 22 8 4.3 4 2.6 2 16.82 M64*2 95 12 8.36 8 4.25 3.5 351.9
        M12*1,25 25 21.58 M65*2 95 342.4
        M14*1,5 28 26.82 M68*2 100 10.36 10 4.75 4 380.2
        M16*1,5 30 5.3 5 3.1 2.5 28.44 M72*2 105 15 518
        M18*1,5 32 31.19 M75*2 105 477.5
        M20*1,5 35 37.31 M76*2 110 562.4
        M22*1,5 38 10 54.91 M80*2 115 608.4
        M24*1,5 42 68.88 M85*2 120 640.6
        M25*1,5 42 68.88 M90*2 125 18 12.43 12 5.75 5 796.1
        M27*1,5 45 75.49 M95*2 130 834.7
        M30*1,5 48 82.11 M100*2 135 873.3
        M33*1,5 52 6.3 6 3.6 3 93.32 M105*2 140 895
        M35*1,5 52 84.99 M110*2 150 14.43 14 6.75 6 1076
        M36*1,5 55 100.3 M115*2 155 22 1369
        M39*1,5 58 107.3 M120*2 160 1423
        M40*1,5 58 109.5 M125*2 165 1477
        M42*1,5 62 121.8 M130*2 170 1531
        M45*1,5 68 153.6 M140*2 180 26 1937
        M48*1,5 72 12 8.36 8 4.25 3.5 201.2 M150*2 200 16.43 16 7.9 7 2651
        M50*1,5 72 186.8 M160*3 210 2810
        M52*1,5 78 238 M170*3 220 2970
        M55*2 78 214.4 M180*3 230 30 3610
        M56*2 85 290.1 M190*3 240 3794
        M60*2 90 320.3 M200*3 250 3978





        Gorące Tagi: W pełni gwintowane okrągłe nakrętki z rowkiem, Chiny, producent, dostawca, fabryka
        Powiązana kategoria
        Wyślij zapytanie
        Prosimy o przesłanie zapytania w poniższym formularzu. Odpowiemy ci w ciągu 24 godzin.
        X
        Używamy plików cookie, aby zapewnić lepszą jakość przeglądania, analizować ruch w witrynie i personalizować zawartość. Korzystając z tej witryny, wyrażasz zgodę na używanie przez nas plików cookie. Polityka prywatności
        Odrzucić Przyjąć