DlaKołnierz blokujący z mocowaniem śrubowymmożesz wybrać materiały w oparciu o to, czego potrzebujesz. Stal węglowa (np. SAE 1070/1095) jest używana, gdy potrzebny jest mocny materiał do trudnych zadań. Stal nierdzewna (AISI 304/316) dobrze sprawdza się w miejscach, w których przedmioty mogą rdzewieć lub korodować. Stopy tytanu nadają się do zastosowań w przemyśle lotniczym, gdzie potrzebne są lekkie, ale mocne materiały. Istnieją również specjalne materiały, takie jak Inconel®, przeznaczone do zastosowań w ekstremalnych temperaturach, zarówno naprawdę gorących, jak i naprawdę zimnych.
Dokładnie testują każdy materiał, aby upewnić się, że wytrzyma – sprawdzając, jak bardzo może się rozciągnąć bez pękania (do 1500 MPa) i jak duże zużycie może wytrzymać w miarę upływu czasu. Różnorodność materiałów oznacza, że ten pierścień ustalający może pracować w wielu różnych środowiskach, od bardzo zimnych miejsc po fabryki o wysokiej temperaturze.
Opieka nadKołnierz blokujący z mocowaniem śrubowymoznacza regularne sprawdzanie dokręcenia śrub, zużycia powierzchni i rdzy. Podczas konserwacji dokręcaj śruby momentem zalecanym przez producenta (zwykle 20-50 Nm). Użyj delikatnych środków czyszczących, aby wytrzeć zanieczyszczenia i nałóż trochę smaru zapobiegającego zatarciu na gwinty, aby ułatwić późniejszy demontaż. Jeśli zauważysz pęknięcia lub pierścień jest zniekształcony, wymień go. Przechowuj pierścienie w suchym miejscu o kontrolowanej temperaturze, aby zapobiec ich uszkodzeniu przed ich montażem. Przestrzeganie tej rutyny pomaga im pracować najlepiej i może wydłużyć ich trwałość nawet o 30%.

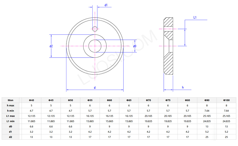
P: Jak określić prawidłowy rozmiar aKołnierz blokujący z mocowaniem śrubowymdla mojej średnicy wału?
O: Wybieranie prawaKołnierz blokujący z mocowaniem śrubowymzależy od grubości wału (OD) i rodzaju gwintu. Zacznij od zmierzenia grubości wału i porównaj ją z tabelą rozmiarów producenta. Najważniejsze rzeczy, na które należy zwrócić uwagę: wewnętrzny rozmiar kołnierza musi pasować do gwintu wału, rozmiar śruby i to, jak gruby jest kołnierz. Jeśli wał nie jest gwintowany, musisz najpierw dodać gwinty. Zawsze dokładnie sprawdź, czy gwinty są metryczne czy imperialne – pomieszanie ich powoduje ból głowy. W przypadku wałów o niestandardowych rozmiarach istnieją niestandardowe kołnierze, ale wymagają one dodatkowego czasu i pieniędzy.
Nasze kołnierze blokujące mocowane śrubami są wykonane głównie ze stali węglowej. Wybieramy ten materiał, ponieważ ma dobrą wytrzymałość i odporność na zużycie, co może zaspokoić podstawowe potrzeby użytkowe produktu.
Zanim produkty opuszczą fabrykę, pokrywamy ich powierzchnie warstwą antykorozyjną. Dzięki temu rozwiązaniu obroże nie rdzewieją, gdy są używane w wilgotnym środowisku lub przechowywane przez długi czas.
Mamy również opcjonalne materiały, takie jak stal nierdzewna, dla klientów, którzy potrzebują lepszej odporności na korozję. Grubość materiału produktu została zaprojektowana w oparciu o standardowe wymagania dotyczące nośności, dzięki czemu nie odkształca się ani nie pęka podczas normalnego użytkowania.
Część śrubowa wykonana jest z tego samego materiału co kołnierz, dzięki czemu cały produkt ma stałą wydajność i stabilność.
Koszt wysyłki naszych obroży mocowanych na śrubę zależy od tego, dokąd je wysyłasz, jaką metodę wysyłki wybierzesz i ile ich zamówisz.
Jeśli korzystasz ze standardowej logistyki, koszt jest niższy, ale dostawa trwa nieco dłużej – zwykle od 3 do 7 dni roboczych. W przypadku zamówień pilnych możesz wybrać dostawę ekspresową, ale będzie to kosztować więcej. Dokładna wysokość dodatkowej opłaty zależy od tego, jak daleko ma dotrzeć przesyłka.
Kiedy Twoje zamówienie osiągnie określoną ilość, pokryjemy koszty wysyłki. Każdy produkt jest mały i lekki, więc nawet przy zamówieniu małych partii nie będą wiązać się z bardzo wysokimi opłatami za wysyłkę.
Zanim cokolwiek wyślemy, odpowiednio zapakujemy obroże, aby zapobiec uszkodzeniom podczas transportu. Koszt opakowania jest już wliczony w opłatę za wysyłkę – nie musisz za to dodatkowo płacić.
Jeśli chcesz poznać dokładny koszt wysyłki, po prostu zapytaj nasz zespół obsługi klienta. Obliczą to na podstawie konkretnych szczegółów zamówienia.
P: Jakie jest MOQ i czas realizacji kołnierza blokującego z mocowaniem śrubowym i czy oferujecie rabaty przy zamówieniach zbiorczych?
Odp.: Minimalna ilość zamówienia (MOQ) na standardowy kołnierz blokujący z mocowaniem śrubowym wynosi 300 sztuk, a czas realizacji w przypadku zamówień regularnych wynosi 7–10 dni roboczych. W przypadku zamówień hurtowych powyżej 5000 sztuk oferujemy stopniowane rabaty (3%–10% zniżki), aby obniżyć koszty zakupu. Indywidualny kołnierz blokujący z mocowaniem śrubowym ma MOQ wynoszące 500 sztuk i czas realizacji 12–18 dni roboczych, łącznie z walidacją próbki i harmonogramem produkcji.